10年百德,10年信赖特种合金标准件及制品的研发和生产
服务热线 :
0515-85516555
家居生活中一些小工具还是很必要的,安装小物件都用得着。近来内六角螺栓经常被拿来使用,那么内六角螺栓有哪些规格,内六角螺栓分类有哪些?就让百德紧固件小编来为大家介绍一下吧。
六角形螺栓,即六角形螺钉,六角形内六角头螺钉,六角形螺钉,虽然这些方法被称为不同,含义相同,表示它是一种螺丝。
螺栓的规格型号一般用字母“M”表示,规格有M6、M8、M10、M12、M14、M16、M18、M20等。以M16-5g6g为例,其表示普通螺纹公称直径为16cm,右旋,公差带中径5g,大径为6g的意思。如果是M16*1LH-6G,代表细牙螺纹,公称直径为16,螺距1cm,左旋,大径为6G,旋合长度根据中等长度来考虑。
螺栓规格尺寸的内容非常多,M代表三角螺纹,M后面的数代表公称直径,×号后面的数是表示螺栓去帽后的长度。例如:M6×30M代表三角螺纹,6代表螺纹的公称直径是6,也就是说是6个的螺纹,30代表螺栓去帽后的长度。
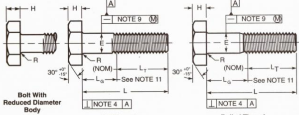
美制螺栓标准虽不是我国的通用标准,但对于很多业内人士来说也很重要。为帮助大家更详细地了解美制螺栓标准,根据相关资料总结美制螺栓标准详解,以供参考。